

Schaltung, Umbau und Nachnutzung eines Übungsverstärkerchens an einer Box: Der Autor erwirbt eine Brüllschachtel zur Gitarre, prophezeit einen dünnen Klang, findet einen Phasendreher im Kopfhöhrerausgang und lötet einen Adapter zusammen. Der Übungsverstärker ist laut genug und rumpelt den Blues. Am Ende ist alles gut.
Miniverstärker Kopak KE-3
Kapitelinhalt:[ Überspringen ]Im Sommer 2011 – nach gefühlten Jahrzehnten Abstinenz eine neue erste elektrische Gitarre – und nichts, um irgendwie elektrischen Krach zu machen? Also Samstagabend noch zu Conrad, ein paar Adapter kaufen, um das Brett wenigstens über die Hi-Fi-Anlage ausprobieren(!) zu können. Das zumindest war der Plan.
Schlechtes muss nicht billig sein
Kapitelinhalt:[ Überspringen ]Nebenbei, dass der Laden auch Samstags nach 14 Uhr offen hat, scheint seine Existenz fast vollständig zu begründen. Der Autor nimmt die Preise für diversen Klinke-zu-Hi-Fi-Adapterkram zur Kenntnis und entscheidet sich dann doch gleich gegen die Adapterbasteleien und für ein formschönes Produkt aus der Volksrepublik Billig – den Übungsverstärker Kopak KE-3 mit 2-Zoll-Lautsprecher, Lautstärke- und Klangregler sowie einem schaltbarem Overdrive. Zu Hause nach dem ersten Ausprobieren (wie zu erwarten klingt die Schachtel dünn und quäkig) wird die Neuanschaffung natürlich erst einmal geöffnet und die Schaltung so weit wie möglich ausgelesen.
Die Schaltung an sich
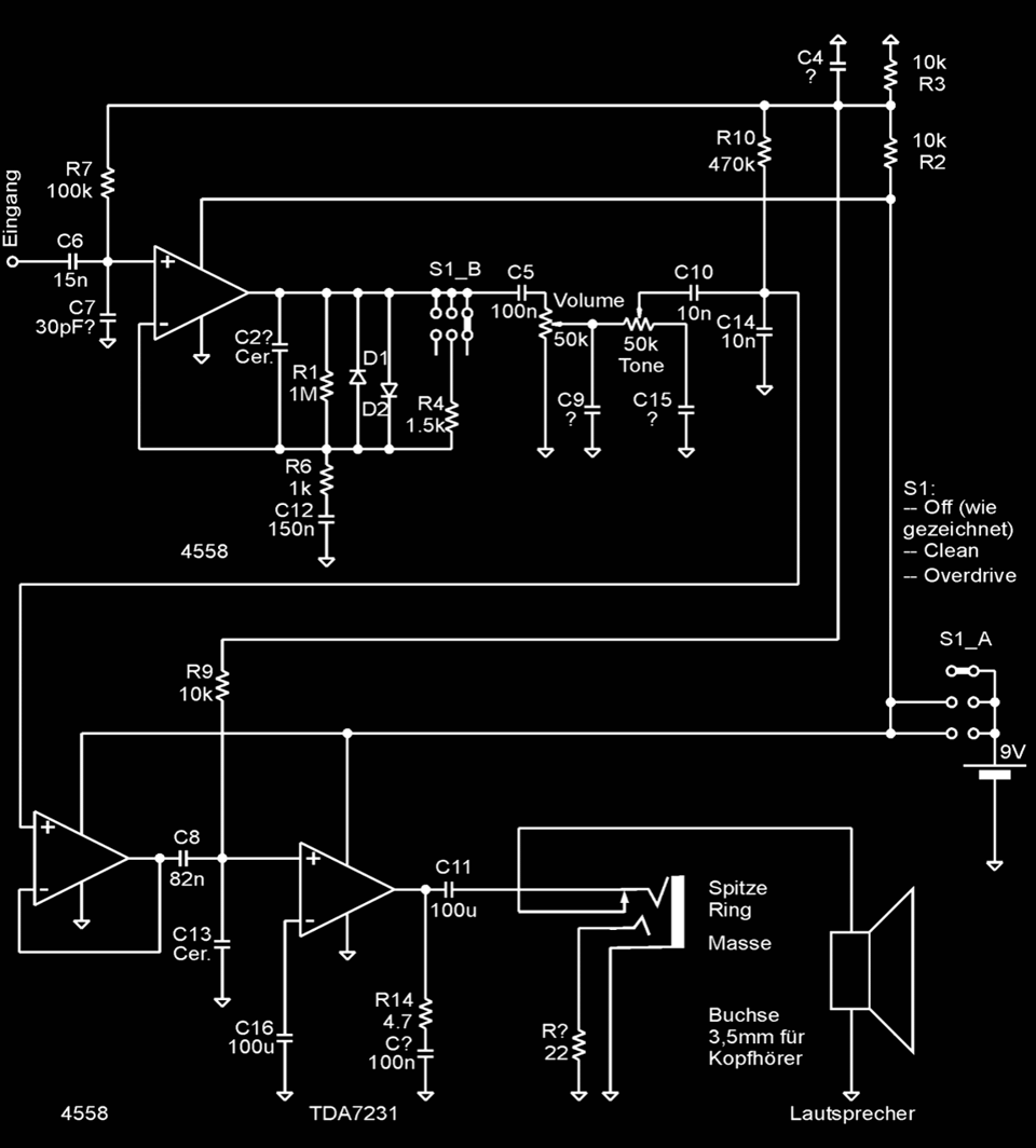
Die Schaltung des Gerätes „im Großen und Ganzen“ – einige Werte fehlen oder waren mit bloßem (Katarakt-)Auge nicht hundertprozentig zur erkennen.


Abb. 1.1: (Ungefähre) Schaltung eines Kopfhöhrerverstärkers Kopak KE3, gekauft im Sommer 2011. (Angaben ohne Gewähr.)
Man erkennt zunächst eine Zerrstufe a la Tubescreamer und Konsorten (mit Dioden im Vorwärtszweig eines Operationsverstärkers), allerdings mit einer wesentlich höheren Cut-Off-Frequenz, dazu ein Volumenpoti und eine passive Höhenblende sowie einen Pufferverstärker. Danach ein kleiner zur Hälfte genutzter Miniendstufenschaltkreis, der den Lautsprecher treibt.
Für den Overdrive-Modus gibt es kein Gain-Poti – die Eingangsstufe ist auf volle Verzerrung eingestellt. Bässe und Mitten werden ab 1 kHz sanft abgeschwächt (Gegenkopplung über R6 und C12). Im Clean-Modus werden die Mitten und Hochmitten von 400 Hz Hertz bis 1 kHz Hertz angehoben (mit der Gegenkopplung über R4, R6 und C12).
„Chinesischer“ Kopfhöhrerausgang
Bis jetzt ist das alles nichts Ungewöhnliches. Kurios ist allerdings die Beschaltung des Kopfhörerausganges. Der Lautsprecher wird sinnvollerweise durch eine Kopfhörerklinkenbuchse abgeschaltet – der Kontakt an der Spitze der Klinke unterbricht die Verbindung vom Verstärker zum Lautsprecher, der Ringkontakt des Klinkensteckers ist über einen Widerstand 22 Ohm mit Masse verbunden, der Massekontakt der Klinkenbuchse ist unbelegt.
Was bedeutet das? Der Widerstand 22 Ohm dient als Kurzschlusschutz und reduziert unter Umständen die Lautstärke bei sehr niederohmigen Kopfhörern. Das ist normales Handwerk. Allerdings liegen hier beide Hörer des Kopfhörers, die normalerweise jeweils gegen Masse geschaltet sind, hier durch die aufgetrennte Masseverbindung gegenphasig zueinander in Reihe – das heißt, der linke und der rechte Hörer sind out of phase. Das ist kein normales Handwerk, sondern wessen-auch-immer-Pfusch im Schaltungsentwurf (und natürlich ein ebenso Solider Deutscher Einkauf).


Abb. 1.2: Problematische Beschaltung des Kopfhöhrerausgang führt zu Phasendreher im Kopfhöhrer. (Bei der normalen Beschaltung des Steckers liegen linker und rechter Ausgang an Spitze und Ring und die gemeinsame Masse am Schirm/Steckergehäuse.)
Angstkondensatoren
Bis auf den Lapsus beim Kopfhörerausgang ist das Gerät, das wer-auch-immer gebaut und Conrad aufgerissen hat, Dienst nach Vorschrift – nicht mehr und nicht weniger. Was im Schaltplan allerdings auffällt, sind mehrere Kondensatoren, deren Sinn nicht wirklich zu erkennen ist, es sei denn, sie sollen die Höhen dämpfen. Nachdem sie versuchsweise entfernt und der Eingangswiderstand durch Umtausch von R7 auf 470 kΩ erhöht worden waren (nein, so testet man eigentlich keine Geräte), wird der Grund für die Kondensatoren deutlich – im Overdrive-Modus rauscht es wie Hubbatz.
Außerdem jault und pfeift das Gerät nun, wenn man es mit offenem Eingang betreibt – die Tonhöhe des Jaulens lässt sich über den Klangregler des Gerätes ändern. Der Fehler ist wohl eher im Layout der Platine zu suchen, und es spricht nicht für den Hersteller, das Problem mit mehreren „Angstkondensatoren“ zu lösen.
Für Ruhe sorgte dann auch wieder ein kleiner „Angstkondensator“ 470 pF am Eingang (man kann es sich insofern schönreden, als dass dieser Kondensator auch nur ein längeres Gitarrenkabel simuliert).