Stromversorgung auf Pedalboards
PSA- und ACA-Netzteile von BOSS
Kapitelinhalt:[ Überspringen ]“Now about something completely different” – im Folgenden ein Kapitel zum sogenannten ACA-Netzteil bzw. der ACA-Schaltung des japanischen Herstellers der Effektgerätemarke BOSS, was offensichtlich gedacht war, mehrere halbwegs problemfrei Bodeneffektgeräte über ein Netzteil zu betreiben:
Das BOSS ACA-Prinzip
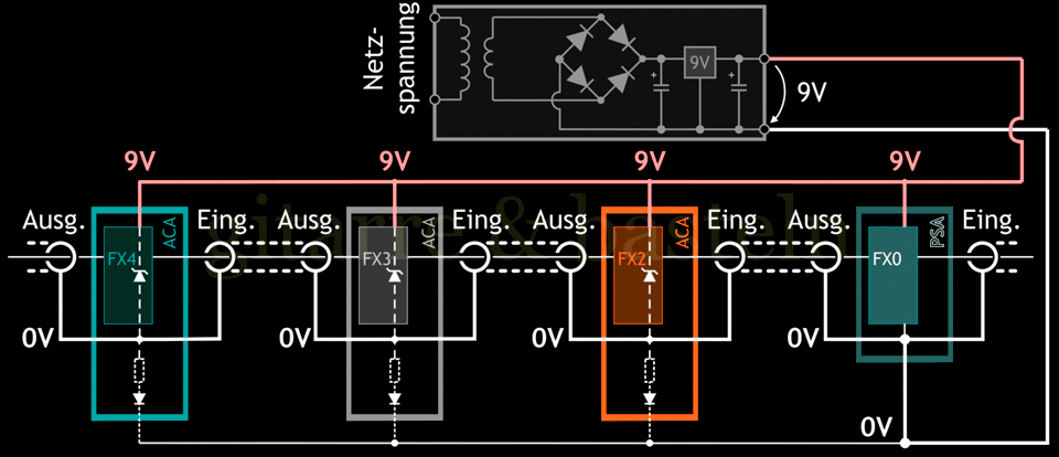
Die im ersten Teil des Artikels beschriebenen Probleme mit Brummschleifen sind ja nun keine Erfindungen der letzten Jahre, sondern grundsätzlich, da physikalisch nachvollziehbar, seit langem bekannt. Der japanische Hersteller der Effektgerätemarke BOSS hat deshalb mit der Einführung seiner Bodeneffektgeräte neben anderen Lösungen wie einem verschleißfreien (elektronischen) Schalter oder einem Signalpuffer auch für das Problem der Brummschleifen zwischen mehreren Effektgeräten und dem Netzteil einen Lösungsversuch in die Geräte eingebaut – die ACA-Schaltung. Die folgende Abbildung 3.1 zeigt das Prinzip:


Abb. 3.1: Darstellung des grundsätzlichen Prinzips eines BOSS ACA-Netzteils – in die Minus-Leitung zwischen jedem Gerät und dem Netzteil wird eine Diode mit Vorwiderstand eingeschleift.
In allen Bodeneffektgeräten wird zwischen Schaltungsmasse und dem Minuspol der Netzteilbuchse die Reihenschaltung einer in Flussrichtung gepolten Diode und einem Serienwiderstand eingeschleift. Weiterhin liegt zwischen Plus- und Minuspol der Netzteilbuchse eine Z-Diode in Sperrrichtung zur Spannungsstabilisierung bzw. als „Überdruckventil“.
Wenn man jetzt den Weg einer möglichen Masseschleife abfährt, so ist zu erkennen, dass hier zwei (von Gleichstrom durchflossene) antiserielle Dioden mit zwei Widerständen in Reihe liegen – sodass die Masseschleife zwar nicht vollständig verhindert wird (die durch den Gleichstrom vorgespannten Dioden sperren induzierte Wechselspannungen nicht vollständig), so kann doch wenigstens der Widerstand in dem Teil der Schleife, die nicht im Signalweg liegt, wesentlich erhöht werden.
Doch wozu die Z-Diode? Dazu die folgende Abbildung 3.2, hier wurde die ACA-Schaltung im Hinblick auf Betriebsspannungen und Versorgungsströme noch einmal anders gezeichnet.


Abb. 3.2: Spannungsverteilung bei der Versorgung mehrerer Effektgeräte über ein BOSS ACA-Netzteil – der Minus-Pol des Netzteils „schwimmt“ gegenüber der Signalmasse. Die fetten Linien in dieser Skizze bedeuten, dass FX2 den kleinsten Widerstand in der Minus-Leitung hat und so dort der größten Strom fließt sowie dass durch die Z-Diode im Gerät FX4 so der größten Strom fließt, weil diese Diode die geringsten Z-Spannung aufweist.
Die Spannung aus einem (höchstwahrscheinlich) ungeregelten Netzteil wird über die übliche Daisy Chain auf alle Bodeneffektgeräte verteilt, d. h. die Betriebsspannungsanschlüsse alle Geräte sind mit dem Pluspol des Netzteils verbunden. Der Betriebsstrom verteilt sich also auf alle Geräte, vereinigt sich dann nach Durchlaufen der Geräte über die Masseverbindung zwischen den Geräten (d. h. über die Klinkenkabel), verteilt weiter auf die verschiedenen Reihenschaltungen Diode und Serienwiderstand, die jeweils zwischen Schaltungsmasse und Minuspol des Netzteilanschlusses liegen, um sich dann an letzterem zu vereinigen und über die Daisy Chain zum Netzteil zurückzufließen.
Dabei fällt natürlich an den Serienwiderstände und an den Dioden eine gewisse Spannung ab (an den Dioden etwa 500 bis 700 mV, an den Widerständen mehr), wobei der Spannungsabfall über allen Widerstand-Diode-Kombinationen gleich ist, d. h. die Verteilung der Betriebsströme aller Geräte auf die Widerstand-Diode-Kombinationen der Geräte hängt von der Größe des Widerstandes ab, nicht von der Stromaufnahme des Gerätes. Das bedeutet, dass die Spannung, die das Netzteil zur Verfügung stellen kann, deutlich größer sein als die 9 V, die die Geräte benötigen, um den Spannungsabfall über den Widerstand-Diode-Kombinationen auszugleichen.
Die Z-Dioden dienen dabei dem Schutz der Geräte vor Überspannung – wird die maximale Spannung von – in diesem Falle – 11 V überschritten, d. h. ist der Spannungsabfall an den genannten Widerstand-Diode-Kombinationen zu gering und wird das Netzteil nicht genug belastet, so müssen die Z-Dioden sukzessive leitend werden, damit der zusätzliche Strom, wieder auf alle Widerstand-Diode-Kombinationen verteilt, den Spannungsabfall über diesen erhöht. Bei dieser Schutzschaltung mit Z-Diode ist der Vorwiderstand also nicht „oben“, sondern „unten“, unterhalb der Gerätemasse, und der Massebezug des Netzteils „schwimmt“.
Nur gilt aber hier, dass sich auch die Ströme durch die Z-Dioden nicht entsprechend der Stromaufnahme der Geräte verteilen, sondern: die Z-Diode mit der geringsten Durchbruchspannung „bekommt den meisten Strom ab“.
Das führt schon zur Betrachtung der Probleme, die mit der ACA-Schaltung von BOSS verbunden sind oder verbunden sein können. Dazu zunächst ein paar Informationen aus dem Datenblatt der verwendeten Z-Dioden RD11EB und RD11EB3. Das Datenblatt weist für beide Dioden eine maximale Belastbarkeit von 500 mW aus, d. h. bei einer Durchbruchspannung von etwa 11 V sollte der Strom durch die Z-Diode nicht wesentlich größer als 40 mA sein. Weiteres zeigt die folgende Tabelle 3.1:
Parameter | RD11EB | RD11EB3 | |
---|---|---|---|
Zener Voltage VZ | Min. [V] | 10,18 | 10,82 |
Max. [V] | 11,26 | 11,26 | |
@IZ [mA] | 10 | 10 | |
Dynamic Impedance ZZ | Max. [Ω] | 10 | 10 |
@IZ [mA] | 10 | 10 | |
Knee Dynamic Impedance ZZK | Max. [Ω] | 120 | 120 |
@IZ [mA] | 0,5 | 0,5 |
Die Durchbruchspannung der Z-Diode RD11EB3 liegt im Bereich von 10,82 V bis 11,26 V – die mögliche Durchbruchspannung überstreicht also einen Bereich von 440 mV. Weiterhin hat die Z-Diode, sobald sie von einem nennenswerten Strom durchflossen wird, einen differentiellen Widerstand von maximal 10 Ω. Grob gedacht bedeutet das: Wenn in einer Schaltung entsprechend Abbildung 3.2 zwei unterschiedliche Z-Dioden mit Durchbruchspannungen von 10,82 V und 11,26 V zusammengeschaltet werden, so nimmt die erstgenannte Z-Diode fast den gesamten zulässigen Strom von 44 mA auf, ehe die Spannung über der Diode so groß wird (10,82 V + 44 mA ⋅ 10 Ω = 11,26 V), dass auch die zweite Z-Diode nennenswert zu leiten beginnt.
Das heißt, dass bei einer Kette von mehreren ACA-Effektgeräten im Ernstfall die Z-Diode mit der geringsten Durchbruchspannung die Spannungsbegrenzung übernimmt und allen „überflüssigen“ Strom aufnehmen muss.
Daraus folgt nun, dass die Schaltung so dimensioniert werden sollte, dass der beschriebene Fall möglichst nicht eintritt. Um das wenigstens im Ansatz beurteilen zu können, hat der Autor die Informationen zu einigen vorwiegend älteren Bodeneffektgeräten zusammenzutragen versucht. Siehe dazu die folgende Tabelle 3.2. Die Geräte sind in der Tabelle nach ihrer Stromaufnahme sortiert, welche (nicht vollständig) mit dem Alter der Geräte korreliert.
Gerät | IB [mA] |
RS [Ω] |
UR [V] |
Diode | UZ [V] |
ID,max [mA] |
---|---|---|---|---|---|---|
OD 1 | 3,5 | 470 | 1,645 | RD11EB3 | 11 | 5 |
CS 2 | 4 | 470 | 1,88 | RD11EB3 | 11 | 5 |
DS 1 | 4 | 470 | 1,88 | RD11EB3 | 11 | 5 |
SG 1 | 4 | 470 | 1,88 | RD11EB3 | 11 | 5 |
SP 1 | 4 | 470 | 1,88 | RD11EB3 | 11 | 5 |
SD 1 | 4 | 470 | 1,88 | RD11EB3 | 11 | 5 |
BF 2 | 15 | 56 | 0,84 | RD11EB3 | 11 | 61 |
PH 1 | 7 | 100 | 0,7 | RD11EB | 11 | 43 |
CE 2 | 9 | 100 | 0,9 | RD11EB | 11 | 41 |
DM-2v1 | 11 | 100 | 1,1 | RD11EB | 11 | 39 |
VB 2 | 11 | 220 | 2,42 | RD11EB | 11 | 9 |
FT 2 | 16 | 180 | 2,88 | S5500G | — | — |
DF 2 | 10 | 330 | 3,3 | S5500G | — | — |
HM 2 | 10 | 330 | 3,3 | S5500G | — | — |
OD 2 | 10 | 330 | 3,3 | S5500G | — | — |
CE 3 | 13 | 390 | 5,07 | S5500G | — | — |
Zur Ergänzung der obiger Tabelle enthaltenen Informationen sowie zu Art und Schaltung des Netzteils hat der Autor Angaben auf der Seite stinkfoot.se/archives/726 gefunden, die hier der Einfachheit halber zitiert werden.
“1978, Boss launched the Compact pedal line, and all the early products
were small current consumers. The OD-1 draws
about 4 mA, and the CE-2
(introduced in 1979)
draws about 8 mA. The first adapter Boss sold to go with the pedals
was called the „ACA-xxx”
(where “xxx” denotes the mains voltage, so the US one was
called „ACA-120”, while the EU one was called
“ACA-230”).
This adapter was unregulated
(as the current draw grows, the output voltage drops)
and even though they were labeled
”9 V DC”, they did put out roughly
12 V DC at a normal load. So each pedal was fitted with a
diode and a resistor, to drop the incoming voltage to roughly
9 volts DC.”
Insgesamt ist – aus heutiger technischer Sicht – das ACA-Konzept durch die gestiegene Stromaufnahme der Effektgeräte überholt – es treten zwei miteinander in Zusammenhang stehende Probleme auf:
- Belastung Z-Diode:
-
Die obige Tabelle 3.2 zeigt die Verwendung unterschiedlicher Z-Dioden. Für die Bestückung der Geräte mit der Z-Diode RD11EB3 oder der Z-Diode RD11EB (letztere hat einen größeren Bereich der Durchbruchspannung) sind hier keine Gründe zu erkennen, der Wechsel zur Standarddiode S5500G (keine Z-Diode) könnte aber darauf hindeuten, dass das Konzept eines Überspannungsschutz so nicht funktioniert, wenn – bei einer steigenden Anzahl einzelner Geräte – der mögliche Strom durch die jeweils „schwächste“ Z-Diode zu groß wird.
- Größe des Fußwiderstands RS:
-
So wie sich das ACA-Konzept für den Autor darstellt, müsste, um verschiedene ACA-Geräte an einem Netzteil kombinieren zu können, der Widerstand RS im Minus-Kreis der Spannungsversorgung (zwischen Gerätemasse und Betriebsspannungsabschluss) umso kleiner sein, je größer die Stromaufnahme des Gerätes ist. Bei den Geräten, die in der Mitte der Tabelle aufgelistet werden, ist das auch so. Hingegen zeigt sich im unteren Teil von Tabelle 3.2, dass bei den jüngeren Geräten dieser Widerstand und auch der Spannungsabfall UR über dem Widerstand RS relativ groß ist – es sieht so aus, als sollte dieser große Spannungsabfall den Überspannungsschutz der Z-Diode, die bei diesen Geräten durch eine normale Diode S5500G ersetzt wurde, kompensieren.
Das könnte sogar funktionieren, wenn nicht irgendein Kunde diese ACA-Geräte mit den Geräten kombiniert, die in der Mitte der Tabelle aufgelistet sind. Bei einer solchen Kombination würde die genannte Spannungsreduktion nicht mehr funktionieren, da der kleinere RS den meisten Strom aufnimmt, so dass die Spannung im Fußzweig wieder sinkt, die verbleibende (Betriebs)spannung steigt und ggfs. doch wieder eine Z-Diode den überschüssigen Strom aufnehmen muss.
Insgesamt scheint das ACA-Prinzip nur bei Geräten „der ersten Generation“ (in der Tabelle oben) wirklich zu funktionieren. Wie im obigen Zitat angedeutet, war das ACA-Prinzip ja auch eher für Geräte mit sehr geringer Stromaufnahme konzipiert worden und (wahrscheinlich) funktionierte das Konzept mit diesen Geräten auch gut.
Zum Abschluss noch eine Anmerkung zur Verwendung alter BOSS-ACA-Geräte. Wenn man diese an einem „normalen“ Netzteil (z. B. BOSS-PSA-Netzteil) betreibt, gibt es u. U. Probleme mit der Betriebsspannung und vielleicht auch der Dynamik. Die folgende Abbildung 3.3 sollte das Problem deutlich machen:


Abb. 3.3: Fehlversorgung von ACA-Geräten an einem PSA-Netzteil
In der Verbindung vom Gerät zum Minuspol des Netzteils liegen immer noch ein Widerstand und eine Diode – die Spannung, die über beiden abfällt, „fehlt“ hier bei der Betriebsspannung, was sich ungünstig auswirkt, wenn das ACA-Gerät an ein PSA-Netzteil mit 9 V angeschlossen wird.
Allerdings, und das zeigt die Abbildung auch, werden diese Diode und dieser Widerstand kurzgeschlossen, wenn man auch nur ein Gerät ohne ACA-Schaltung (d. h. mit direkter Verbindung von Netzteilmasse und Gerätemasse) in den Signalweg nimmt und außerdem an das gleiche Netzteil anschließt. Somit besteht die Lösung des Problems darin, ein „nicht-ACA-Gerät“ im gleichen Signalweg und am gleichen Netzteil zu verwenden – siehe auch Abbildung 3.4:


Abb. 3.4: Problemlösung beim Betrieb von ACA-Geräten an einem PSA-Netzteil – ein weiteres Gerät ohne ACA-Schaltung verbindet die Gerätemasse und den Minuspol des Netzteils.
Dabei muss darauf geachtet werden, dass es sich um ein stabilisiertes Netzteil handelt – ein unstabilisiertes 9 V-Netzteil mit einer wesentlich größeren Leerlaufspannung könnte die Z-Diode im ACA-Gerät, die nun keinen Vorwiderstand mehr hat, zerstören.
Das BOSS PSA-Netzteil
Nachdem das ACA-Prinzip im Wesentlichen wegen der wachsenden Stromaufnahme insbesondere von digitalen Effektgeräte nicht mehr sinnvoll war, wurde es anscheinend „beerdigt“ und auf die Verkabelung der Effektgeräte über ein gemeinsames Stromversorgungskabel (Daisy Chain) zurückgegriffen. Hier also im Vergleich dieser etwas neuere Weg – ein einfaches PSA-Steckernetzteil von BOSS. Dazu der nachgezeichnete Schaltplan eines solchen Netzteils (die Originalgrafik enthält einen Verweis auf eine Seite www.azsurplus.com) – siehe die folgende Abbildung 3.5.


Abb. 3.5: Schaltung des Steckernetzteils BOSS PSA 120T – der Schaltplan folgt der Darstellung auf der Seite www.azsurplus.com. 7809 meint den Spannungsstabilisator LM7809 und 1N4148 die Diode in dessen Fußzweig.
Hier wird ein Transformator mit einer Sekundärspannung von 16 V Wechselspannung verwendet, um eine Ausgangsspannung von 9,6 V bereitzustellen. Bei dieser Schaltung liegt die unbelastete Leerlaufspannung bei etwa 22 V vor und etwa 21 V hinter der Graetzbrücke – unter Last kann hinter der Graetzbrücke noch mit gut 13 V gerechnet werden, so dass noch mindestens 2,5 V „Luft“ bleiben, um den Längsregler / „Dreibeiner“ betreiben zu können. Das mögliche Brummschleifenproblem wegen der Masseschleifen über eine Daisy Chain bleibt dem Anwender allerdings erhalten – genauso wie die mögliche wechselseitige Störung mehrerer digitaler Geräte und deren Datentakt …